Ariens 42 Inch Mower Deck Parts Diagram

Ariens 42 Inch Riding Mower Parts Diagram. Ariens 42 Riding Mower Deck Belt Diagram Understanding the different sections of your lawn care equipment is essential for its optimal functioning Repair parts and diagrams for 936093 (960460067-00) - Ariens 42" Lawn Tractor, Gear

Ariens Zero Turn Mower Parts Diagram
Ariens Zero Turn Mower Parts Diagram from workshopfixkindliness.z13.web.core.windows.net

Ariens; Riding Mowers; 936038 (960460002-00) - Ariens 42" Lawn Tractor, 19hp Kohler, Hydro Parts & Diagrams Parts Lists & Diagrams. Understanding the different sections of your lawn care equipment is essential for its optimal functioning

Ariens Zero Turn Mower Parts Diagram

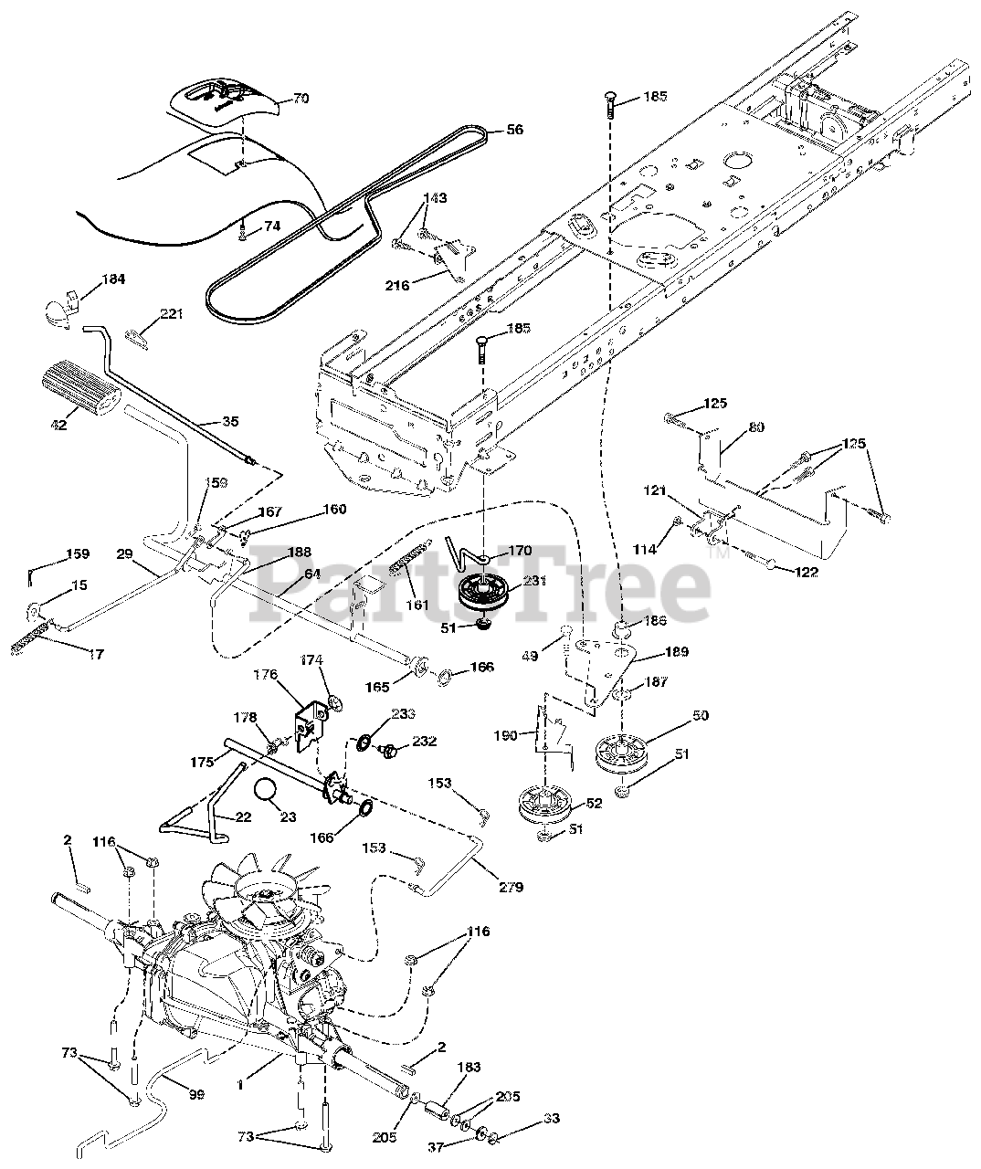
Ariens; Riding Mowers; 936084 - Ariens 42" Lawn Tractor, Automatic Parts & Diagrams Parts Lists & Diagrams Help with Jack's Parts Lookup Ariens 936046 (960160021-00) 42" Gear Tractor Mower Deck Parts Diagram SWIPE SWIPE Ariens; Riding Mowers; 936093 (960460067-00) - Ariens 42" Lawn Tractor, Gear Parts & Diagrams Parts Lists & Diagrams.

Ariens Zero Turn Mower Parts Diagram. Ariens 936084 - Ariens 42" Lawn Tractor, Automatic (Model: 960460062-00). Ariens Parts Direct offers OEM replacement lawn mower parts for Ariens, Gravely, EverRide, Great Dane, and Locke Turf brands of zero-turn, walk-behind, and stand on mowers, for commercial and home needs.

Ariens 42 Inch Riding Mower Deck Belt Diagram. Repair parts and diagrams for 936060 (960160027-01) - Ariens 42" Lawn Tractor, Briggs & Stratton, Gear Ariens; Riding Mowers; 936060 (960160027-01) - Ariens 42" Lawn Tractor, Briggs & Stratton, Gear Parts & Diagrams Parts Lists & Diagrams.